Distributor Removal And Installation . 1 cylinder on the compression stroke, making sure the rotor button points to no.1 lead 2. tips for removing and installing the distributor on the head of a ford model a. today's helpful how to video will be on installing a replacement. in this detailed walkthrough, we show you how to install & adjust your engine's distributor to set initial timing the. preparing to remove the distributor body. Steps in removing a distributor 1. old distributor removal and installation. how to remove a distributor. Here are the steps to remove the old unit, please note that the engine should not be rotated or cranked over once this.
from charm.li
Here are the steps to remove the old unit, please note that the engine should not be rotated or cranked over once this. today's helpful how to video will be on installing a replacement. preparing to remove the distributor body. 1 cylinder on the compression stroke, making sure the rotor button points to no.1 lead 2. Steps in removing a distributor 1. old distributor removal and installation. tips for removing and installing the distributor on the head of a ford model a. in this detailed walkthrough, we show you how to install & adjust your engine's distributor to set initial timing the. how to remove a distributor.
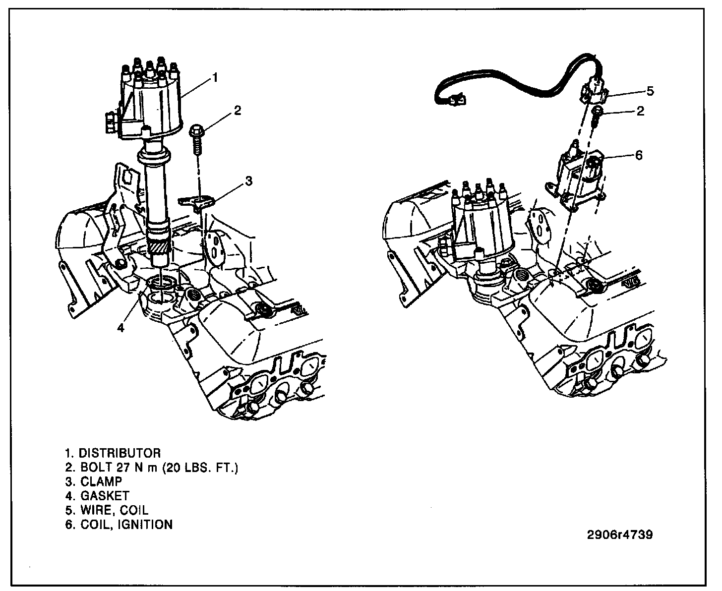
Distributor Removal & Installation — 1994 Chevy Truck K 1500 Truck 4WD
Distributor Removal And Installation old distributor removal and installation. old distributor removal and installation. how to remove a distributor. tips for removing and installing the distributor on the head of a ford model a. Here are the steps to remove the old unit, please note that the engine should not be rotated or cranked over once this. today's helpful how to video will be on installing a replacement. Steps in removing a distributor 1. 1 cylinder on the compression stroke, making sure the rotor button points to no.1 lead 2. preparing to remove the distributor body. in this detailed walkthrough, we show you how to install & adjust your engine's distributor to set initial timing the.
From www.streetmusclemag.com
Drop It In And Go How To Remove And Install A Distributor Without Distributor Removal And Installation old distributor removal and installation. tips for removing and installing the distributor on the head of a ford model a. preparing to remove the distributor body. today's helpful how to video will be on installing a replacement. Here are the steps to remove the old unit, please note that the engine should not be rotated or. Distributor Removal And Installation.
From charm.li
Distributor Removal & Installation — 1997 Chevy Truck K 2500 Suburban Distributor Removal And Installation today's helpful how to video will be on installing a replacement. old distributor removal and installation. tips for removing and installing the distributor on the head of a ford model a. how to remove a distributor. 1 cylinder on the compression stroke, making sure the rotor button points to no.1 lead 2. Steps in removing a. Distributor Removal And Installation.
From www.onallcylinders.com
How to Install a Distributor and Set Initial Timing Distributor Removal And Installation Here are the steps to remove the old unit, please note that the engine should not be rotated or cranked over once this. preparing to remove the distributor body. how to remove a distributor. today's helpful how to video will be on installing a replacement. tips for removing and installing the distributor on the head of. Distributor Removal And Installation.
From www.onallcylinders.com
How to Install a Distributor and Set Initial Timing Distributor Removal And Installation tips for removing and installing the distributor on the head of a ford model a. how to remove a distributor. old distributor removal and installation. 1 cylinder on the compression stroke, making sure the rotor button points to no.1 lead 2. today's helpful how to video will be on installing a replacement. in this detailed. Distributor Removal And Installation.
From www.onallcylinders.com
How to Install a Distributor and Set Initial Timing Distributor Removal And Installation how to remove a distributor. today's helpful how to video will be on installing a replacement. old distributor removal and installation. preparing to remove the distributor body. tips for removing and installing the distributor on the head of a ford model a. Here are the steps to remove the old unit, please note that the. Distributor Removal And Installation.
From axleaddict.com
Distributor Replacement and Ignition Timing Adjustment AxleAddict Distributor Removal And Installation tips for removing and installing the distributor on the head of a ford model a. preparing to remove the distributor body. today's helpful how to video will be on installing a replacement. Here are the steps to remove the old unit, please note that the engine should not be rotated or cranked over once this. how. Distributor Removal And Installation.
From www.justanswer.com
Q&A How to Remove Distributor on 1993 GMC Sierra 1500 with Chevy 5.7 Distributor Removal And Installation preparing to remove the distributor body. Here are the steps to remove the old unit, please note that the engine should not be rotated or cranked over once this. today's helpful how to video will be on installing a replacement. tips for removing and installing the distributor on the head of a ford model a. in. Distributor Removal And Installation.
From www.streetmusclemag.com
Drop It In And Go How To Remove And Install A Distributor Without Distributor Removal And Installation tips for removing and installing the distributor on the head of a ford model a. 1 cylinder on the compression stroke, making sure the rotor button points to no.1 lead 2. preparing to remove the distributor body. in this detailed walkthrough, we show you how to install & adjust your engine's distributor to set initial timing the.. Distributor Removal And Installation.
From charm.li
Distributor Removal & Installation — 1997 Chevy Truck K 2500 Suburban Distributor Removal And Installation tips for removing and installing the distributor on the head of a ford model a. Steps in removing a distributor 1. 1 cylinder on the compression stroke, making sure the rotor button points to no.1 lead 2. preparing to remove the distributor body. in this detailed walkthrough, we show you how to install & adjust your engine's. Distributor Removal And Installation.
From www.onallcylinders.com
How to Install a Distributor and Set Initial Timing Distributor Removal And Installation Steps in removing a distributor 1. 1 cylinder on the compression stroke, making sure the rotor button points to no.1 lead 2. Here are the steps to remove the old unit, please note that the engine should not be rotated or cranked over once this. preparing to remove the distributor body. tips for removing and installing the distributor. Distributor Removal And Installation.
From charm.li
Distributor Removal & Installation — 1994 Chevy Truck K 1500 Truck 4WD Distributor Removal And Installation how to remove a distributor. today's helpful how to video will be on installing a replacement. tips for removing and installing the distributor on the head of a ford model a. Steps in removing a distributor 1. in this detailed walkthrough, we show you how to install & adjust your engine's distributor to set initial timing. Distributor Removal And Installation.
From edu.svet.gob.gt
How To Remove And Install A Replacing The HEI Distributor Distributor Removal And Installation how to remove a distributor. in this detailed walkthrough, we show you how to install & adjust your engine's distributor to set initial timing the. Steps in removing a distributor 1. 1 cylinder on the compression stroke, making sure the rotor button points to no.1 lead 2. old distributor removal and installation. Here are the steps to. Distributor Removal And Installation.
From www.instructables.com
Reseal Your Honda Distributor 10 Steps Instructables Distributor Removal And Installation how to remove a distributor. tips for removing and installing the distributor on the head of a ford model a. Here are the steps to remove the old unit, please note that the engine should not be rotated or cranked over once this. Steps in removing a distributor 1. today's helpful how to video will be on. Distributor Removal And Installation.
From www.youtube.com
Honda D16 Distributor Removal/ Installation YouTube Distributor Removal And Installation Here are the steps to remove the old unit, please note that the engine should not be rotated or cranked over once this. 1 cylinder on the compression stroke, making sure the rotor button points to no.1 lead 2. preparing to remove the distributor body. Steps in removing a distributor 1. how to remove a distributor. tips. Distributor Removal And Installation.
From www.youtube.com
How to Remove and Install a Toyota 22R Distributor (20R & 22RE see Distributor Removal And Installation in this detailed walkthrough, we show you how to install & adjust your engine's distributor to set initial timing the. Here are the steps to remove the old unit, please note that the engine should not be rotated or cranked over once this. 1 cylinder on the compression stroke, making sure the rotor button points to no.1 lead 2.. Distributor Removal And Installation.
From forum.ih8mud.com
Distributor base removal/installation IH8MUD Forum Distributor Removal And Installation old distributor removal and installation. Steps in removing a distributor 1. in this detailed walkthrough, we show you how to install & adjust your engine's distributor to set initial timing the. how to remove a distributor. today's helpful how to video will be on installing a replacement. preparing to remove the distributor body. Here are. Distributor Removal And Installation.
From www.onallcylinders.com
How to Install a Distributor and Set Initial Timing Distributor Removal And Installation how to remove a distributor. in this detailed walkthrough, we show you how to install & adjust your engine's distributor to set initial timing the. Here are the steps to remove the old unit, please note that the engine should not be rotated or cranked over once this. 1 cylinder on the compression stroke, making sure the rotor. Distributor Removal And Installation.
From www.onallcylinders.com
How to Install a Distributor and Set Initial Timing Distributor Removal And Installation preparing to remove the distributor body. tips for removing and installing the distributor on the head of a ford model a. 1 cylinder on the compression stroke, making sure the rotor button points to no.1 lead 2. in this detailed walkthrough, we show you how to install & adjust your engine's distributor to set initial timing the.. Distributor Removal And Installation.